This is a simple guide on how to automate UK lights with a Shelly 1 by installing the shelly 1 relay into the ceiling pendant which has both permanent live, neutral and a switched live back from the wall switch.
These steps are from my own experience making my lighting "smart" but also user friendly (it works via a wall switch!). This simple guide will go through replacing an a normal ceiling pendant with one with room for a Shelly 1. If you have a ceiling light with a bigger base it's even easier.
Warning Electrical regulations must be followed by law. If you are not a competent person under the regulations do not attempt electrical work. https://www.diydoctor.org.uk/projects/electrical_safety.htm
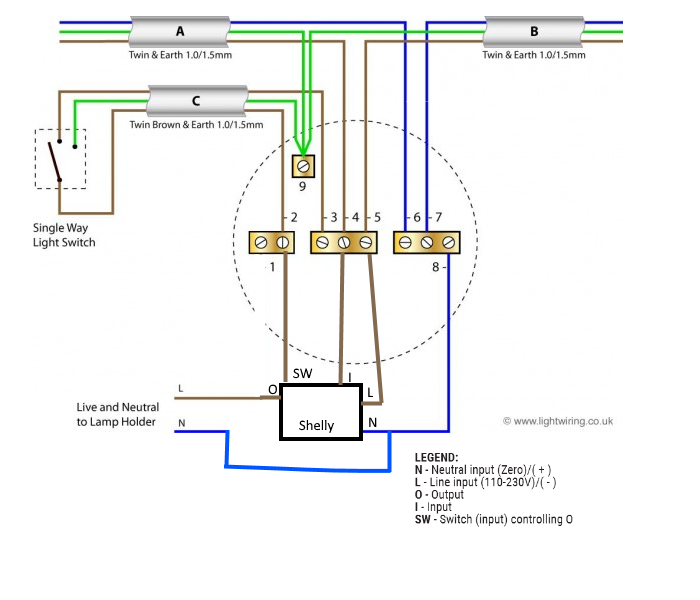
This diagram has been taken from here and modified to include the Shelly 1.
