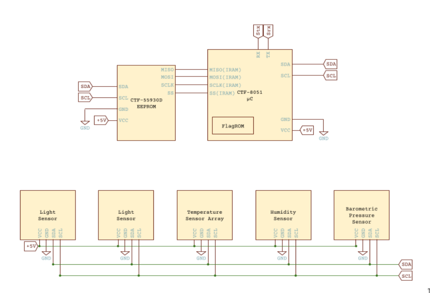
Weather was a hardware challenge on Google CTF 2022 that was based around a weather station running on a microcontroller with attached sensors and a serial interface. The goal was to extract a flag from an internal ROM device.
For the, challenge we were given a datasheet containing details about the microcontroller, its attached devices and the interfaces available. We were also given the firmware source code written in c.
From the datasheet we can determine the following information:

